|
|
 |
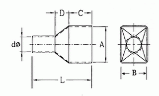
This protective
casing is suitable used for small-sized multi-pole nylon connection
cable and various computer PC boards, etc. to prevent dust entering
into inlet part of the cable for protection and insulation. It also
function to prevent falling off the wire cable easily, etc.
As this protection casing is made of excellent soft quality of P.V.C,
it is very suitably used for connection wire and cable bundle. |
|
 |
|
Item No.
|
A
|
B
|
C
|
D
|
d
|
L 2
|
t
0.2
|
Packing unit
|
|
|
CS090
|
9.0
|
7.3
|
13.0
|
2.0
|
2.7
|
23.0
|
1.0
|
1000 pcs
|
|
|
CS130
|
13.0
|
6.0
|
13.0
|
8.0
|
6.0
|
47.0
|
1.3
|
500 pcs
|
|
|
CS131
|
13.0
|
13.0
|
24.0
|
10.0
|
5.0
|
51.0
|
1.1
|
500 pcs
|
|
♦
|
CS138
|
13.8
|
13.8
|
14.5
|
5.0
|
7.7
|
48.5
|
1.1
|
500 pcs
|
|
♦
|
CS140
|
14.0
|
8.5
|
18.0
|
5.0
|
5.0
|
29.0
|
1.3
|
500 pcs
|
|
|
CS146
|
14.5
|
12.0
|
25.0
|
6.0
|
11.0
|
51.0
|
1.2
|
500 pcs
|
|
♦
|
CS148
|
14.8
|
6.3
|
13.0
|
9.0
|
6.3
|
46.0
|
1.0
|
500 pcs
|
|
|
CS156
|
15.6
|
6.5
|
16.5
|
14.5
|
6.1
|
45.0
|
1.2
|
500 pcs
|
|
|
CS160
|
16.0
|
16.0
|
26.0
|
10.0
|
8.0
|
62.0
|
1.2
|
200 pcs
|
|
♦
|
CS168
|
16.8
|
6.3
|
17.0
|
5.0
|
6.3
|
52.0
|
1.0
|
500 pcs
|
|
♦
|
CS169
|
16.8
|
6.5
|
16.0
|
4.5
|
9.1
|
54.0
|
1.0
|
200 pcs
|
|
|
CS170
|
17.0
|
17.0
|
31.0
|
7.0
|
9.0
|
65.0
|
1.2
|
200 pcs
|
|
|
CS174
|
17.0
|
4.8
|
7.5
|
3.5
|
2.7
|
15.0
|
0.8
|
200 pcs
|
|
|
CS175
|
17.5
|
17.5
|
36.0
|
8.0
|
6.3
|
56.0
|
1.2
|
200 pcs
|
|
|
CS190
|
19.0
|
13.0
|
15.0
|
14.0
|
10.0
|
64.0
|
1.5
|
200 pcs
|
|
|
CS192
|
19.2
|
11.2
|
12.5
|
8.0
|
4.9
|
41.0
|
1.2
|
200 pcs
|
|
|
CS194
|
19.4
|
7.6
|
17.6
|
7.4
|
10.3
|
40.0
|
1.2
|
200 pcs
|
|
|
CS200
|
20.0
|
5.5
|
15.0
|
4.0
|
12.0
|
44.0
|
1.2
|
200 pcs
|
|
|
CS210
|
21.0
|
18.0
|
26.0
|
14.0
|
8.0
|
55.0
|
1.2
|
200 pcs
|
|
|
CS211
|
21.0
|
14.5
|
31.0
|
13.0
|
5.5
|
70.0
|
1.0
|
200 pcs
|
|
|
CS214
|
21.5
|
16.0
|
22.0
|
5.0
|
4.1
|
43.0
|
1.2
|
500 pcs
|
|
|
CS216
|
21.6
|
7.6
|
18.6
|
11.4
|
6.4
|
50.0
|
1.2
|
200 pcs
|
|
|
CS220
|
22.0
|
22.0
|
47.0
|
8.5
|
11.6
|
75.0
|
1.5
|
200 pcs
|
|
|
CS221
|
22.0
|
18.5
|
48.0
|
10.0
|
8.0
|
73.0
|
1.2
|
200 pcs
|
|
|
CS223
|
22.0
|
16.0
|
20.0
|
7.0
|
12.0
|
47.0
|
1.2
|
200 pcs
|
|
|
CS225
|
22.5
|
11.0
|
16.0
|
21.0
|
6.0
|
44.0
|
1.1
|
200 pcs
|
|
|
CS226
|
22.0
|
6.0
|
16.0
|
6.0
|
7.2
|
48.0
|
1.1
|
500 pcs
|
|
♦
|
CS228
|
22.0
|
18.5
|
48.0
|
10.0
|
8.0
|
80.0
|
1.2
|
200 pcs
|
|
♦
|
CS230
|
23.0
|
10.0
|
15.0
|
9.5
|
8.0
|
44.0
|
1.2
|
200 pcs
|
|
♦
|
CS231
|
23.0
|
15.0
|
17.0
|
3.0
|
11.0
|
52.0
|
1.5
|
200 pcs
|
|
♦
|
CS245
|
24.5
|
19.0
|
35.0
|
10.0
|
10.0
|
75.0
|
1.2
|
200 pcs
|
|
♦
|
CS250
|
24.5
|
18.0
|
25.0
|
6.0
|
6.0
|
45.5
|
1.8
|
200 pcs
|
|
|
CS253
|
25.3
|
19.1
|
30.0
|
14.0
|
7.0
|
49.0
|
1.7
|
200 pcs
|
|
♦
|
CS254
|
25.4
|
19.0
|
14.0
|
25.0
|
8.0
|
60.0
|
1.5
|
200 pcs
|
|
♦
|
CS255
|
25.5
|
2.6
|
2.0
|
20.0
|
5.2
|
50.0
|
1.2
|
500 pcs
|
|
|
CS256
|
25.0
|
7.5
|
6.0
|
22.5
|
6.0
|
40.0
|
1.5
|
500 pcs
|
|
♦
|
CS270
|
27.0
|
11.0
|
29.0
|
24.0
|
6.0
|
67.0
|
1.4
|
200 pcs
|
|
♦
|
CS275
|
27.5
|
22.0
|
52.0
|
5.0
|
8.0
|
80.0
|
2.0
|
100 pcs
|
|
♦
|
CS276
|
27.5
|
22.0
|
52.0
|
5.0
|
11.0
|
80.0
|
2.0
|
100 pcs
|
|
|
CS278
|
27.2
|
8.9
|
20.0
|
20.0
|
8.0
|
50.0
|
1.2
|
200 pcs
|
|
♦
|
CS279
|
27.8
|
12.0
|
14.0
|
10.0
|
17.0
|
35.0
|
1.2
|
200 pcs
|
|
|
CS280
|
28.0
|
27.0
|
30.0
|
13.0
|
11.0
|
60.0
|
1.2
|
200 pcs
|
|
|
CS290
|
29.5
|
13.5
|
15.0
|
13.0
|
10.5
|
62.0
|
1.5
|
200 pcs
|
|
♦
|
CS291
|
29.0
|
13.0
|
18.0
|
13.0
|
13.0
|
62.0
|
1.5
|
200 pcs
|
|
|
CS292
|
29.0
|
22.0
|
38.0
|
7.0
|
13.0
|
75.0
|
1.2
|
100 pcs
|
|
|
CS295
|
29.5
|
14.0
|
14.0
|
14.0
|
11.0
|
64.0
|
1.2
|
200 pcs
|
|
♦
|
CS296
|
29.0
|
26.0
|
45.0
|
5.5
|
7.2
|
68.0
|
1.8
|
100 pcs
|
|
|
CS297
|
29.0
|
7.8
|
21
|
3.0
|
7.2
|
39.0
|
1.2
|
500 pcs
|
|
|
CS300
|
30.0
|
15.0
|
38.0
|
7.0
|
9.0
|
70.0
|
1.2
|
200 pcs
|
|
♦
|
CS301
|
30.0
|
10.9
|
30.0
|
15.5
|
8.0
|
62.0
|
1.3
|
200 pcs
|
|
|
CS302
|
30.0
|
22.0
|
25.0
|
10.0
|
9.0
|
55.0
|
1.2
|
200 pcs
|
|
|
CS322
|
32.0
|
24.0
|
35.0
|
10.0
|
9.0
|
65.0
|
1.2
|
100 pcs
|
|
|
CS323
|
32.0
|
30.0
|
35.0
|
16.0
|
11.5
|
71.0
|
1.2
|
100 pcs
|
|
♦
|
CS329
|
32.0
|
27.0
|
36.0
|
7.0
|
6.0
|
58.0
|
1.5
|
100 pcs
|
|
♦
|
CS330
|
33.0
|
11.0
|
30.0
|
17.5
|
7.0
|
50.0
|
1.3
|
200 pcs
|
|
|
CS335
|
33.5
|
22.0
|
38.0
|
7.0
|
9.0
|
75.0
|
1.0
|
100 pcs
|
|
♦
|
CS340
|
34.0
|
22.0
|
31.0
|
14.0
|
9.7
|
65.0
|
1.2
|
100 pcs
|
|
|
CS344
|
34.5
|
22.5
|
23.0
|
9.0
|
4.0
|
47.0
|
1.5
|
200 pcs
|
|
♦
|
CS350
|
35.0
|
19.0
|
42.0
|
17.0
|
9.5
|
79.0
|
1.5
|
100 pcs
|
|
♦
|
CS351
|
35.0
|
16.0
|
29.0
|
12.0
|
12.0
|
63.0
|
1.5
|
200 pcs
|
|
|
CS355
|
35.5
|
19.5
|
42.0
|
15.5
|
9.0
|
72.0
|
1.5
|
100 pcs
|
|
|
CS380
|
38.0
|
13.7
|
15.0
|
15.0
|
13.0
|
65.0
|
1.5
|
200 pcs
|
|
|
CS385
|
38.0
|
28.5
|
35.0
|
10.0
|
5.0
|
58.0
|
1.0
|
200 pcs
|
|
♦
|
CS386
|
38.0
|
6.0
|
7.0
|
23.0
|
15.8
|
42.0
|
1.2
|
200 pcs
|
|
|
CS400
|
39.0
|
29.0
|
20.0
|
20.0
|
10.0
|
64.0
|
1.0
|
100 pcs
|
|
|
CS420
|
42.0
|
22.0
|
44.0
|
8.0
|
13.0
|
81.0
|
1.4
|
100 pcs
|
|
♦
|
CS430
|
43.0
|
1.5
|
48.0
|
14.0
|
10.3
|
67.0
|
1.5
|
200 pcs
|
|
♦
|
CS450
|
45.0
|
24.5
|
75.0
|
5.0
|
9.0
|
105.0
|
1.6
|
50 pcs
|
|
♦
|
CS465
|
46.5
|
9.5
|
27.0
|
18.0
|
7.5x12.0
|
46.0
|
1.6
|
200 pcs
|
|
|
CS500
|
51.0
|
25.4
|
30.0
|
10.0
|
16.0
|
65.0
|
1.0
|
100 pcs
|
|
|
CS510
|
51.0
|
2.0
|
27.0
|
23.0
|
11.0
|
69.0
|
1.5
|
100 pcs
|
|
♦
|
CS540
|
54.0
|
17.0
|
20.0
|
9.0
|
13.0
|
45.0
|
1.3
|
100 pcs
|
|
♦
|
CS541
|
54.0
|
21.0
|
31.0
|
8.5
|
11.5
|
65.5
|
1.0
|
100 pcs
|
|
♦
|
CS720
|
71.7
|
27.6
|
30.0
|
13.5
|
7.0
|
60.0
|
1.6
|
100 pcs
|
| Section
C and t dimensions according to customers' specification |
| Standard
colors: Black |
| ♦The
specification developed recently , has not applied for UL authentication
yet. |
Products
Quality:
All our products are made from high quality soft P.V.C.
We call them PVC insulating sleeves generally.
According to the rating temperature we differentiate them into
three categories:
1. Common products: rated temperature is under 90
2. Medium products: rated temperature is under 100
3. High level products: rated temperature is 105
E122477 pass 600V, testing |
|
|