|
|
|
Shur
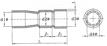
Plug type sleeves (male) |
| ¡@ |
¡@ |
|
|
|
Item
No.
|
 |
 |
 |
 |
 |
L 1.5 |
t 0.2 |
| R4225 |
2.5 |
3.8 |
5.0 |
2.5 |
4.5 |
14.0 |
1.0 |
|
R4228
|
2.7 |
3.7 |
5.0 |
2.8 |
4.5 |
15.0 |
1.0 |
|
R4230
|
3.0 |
4.1 |
5.2 |
2.8 |
4.5 |
15.0 |
1.0 |
|
R4235
|
3.5 |
4.4 |
5.3 |
3.0 |
4.5 |
16.0 |
1.0 |
|
R4240
|
4.0 |
4.7 |
5.5 |
3.0 |
4.5 |
14.5 |
1.0 |
|
R3528
|
2.8 |
3.3 |
3.8 |
3.0 |
4.5 |
14.0 |
1.0 |
| Packing
unit: 2,000 pcs per bag |
|
|
Shur
Plug type sleeves (female) |
| ¡@ |
¡@ |
 |
|
Item
No.
|
 |
 |
 |
 |
 |
L 1.5 |
t 0.2 |
|
R5025
|
2.5 |
3.8 |
5.0 |
2.6 |
23.0 |
33.0 |
1.0 |
|
R5028
|
2.8 |
4.0 |
5.0 |
2.8 |
23.0 |
33.0 |
1.0 |
|
R5030
|
3.2 |
4.3 |
5.2 |
3.0 |
23.0 |
33.0 |
1.0 |
|
R5035
|
3.5 |
4.5 |
5.0 |
3.0 |
23.0 |
33.0 |
1.0 |
|
R5040
|
4.0 |
4.8 |
5.5 |
2.8 |
23.5 |
33.0 |
1.0 |
|
R4028
|
2.8 |
3.7 |
4.0 |
2.8 |
23.0 |
32.0 |
1.0 |
| Packing
unit: 1,000 pcs per bag |
|
|
Shur
Plug type sleeves (female) |
| ¡@ |
¡@ |
|
|
| POST-Insertion
type |
¡@ |
| Packing
unit:1,000 pcs per bag
¡@
|
|
|
Three
way type sleeves (female) |
| ¡@ |
¡@ |
 |
| Packing
unit: 500 pcs per bag |
|
|
Two
way type sleeve (female) |
| ¡@ |
¡@ |
 |
|
Item
No.
|
 |
 |
 |
 |
L 1.5 |
W1 |
W2 |
t 0.2 |
|
S1225
|
2.5 |
3.6 |
3.5 |
25.5 |
35.0 |
12.0 |
4.5 |
1.0 |
|
S1232
|
3.2 |
4.0 |
3.0 |
26.0 |
35.0 |
12.0 |
4.5 |
1.0 |
|
S1240
|
4.0 |
5.2 |
3.5 |
25.5 |
35.0 |
12.0 |
4.5 |
1.0 |
|
|
¡@ |
¡@ |
¡@ |
¡@ |
¡@ |
¡@ |
¡@ |
¡@ |
| Packing
unit: 500 pcs per bag |
|
|
| |
|