|
|
|
Capacitor
Cover (type 1) |
| |
|
 |
|
Item
No.
|
A |
B |
C 1.0 |
D |
E |
t 0.2 |
Packing
unit |
| |
HU-8
|
8.5 |
7.5 |
11.0 |
3.0 |
4.0 |
1.0 |
1000
pcs |
| |
HU-10
|
10.5 |
9.0 |
13.0 |
3.0 |
4.0 |
1.0 |
1000
pcs |
| |
HU-11
|
11.5 |
9.5 |
13.0 |
4.0 |
4.5 |
1.0 |
500
pcs |
| |
HU-12
|
12.0 |
10.0 |
15.0 |
3.8 |
7.8 |
1.0 |
500
pcs |
|
* |
HU-13
|
13.0 |
11.5 |
18.0 |
3.8 |
4.8 |
1.0 |
500
pcs |
|
* |
HU-14
|
14.0 |
12.0 |
16.0 |
3.0 |
4.0 |
1.0 |
500
pcs |
|
* |
HU-16
|
16.0 |
13.0 |
19.0 |
3.5 |
4.5 |
1.0 |
500
pcs |
| |
HU-17
|
15.8 |
13.6 |
19.0 |
4.8 |
6.2 |
1.0 |
500
pcs |
| *Planning
to create |
|
|
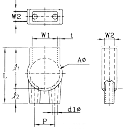
Capacitor
Cover (type 2) |
| |
|
 |
|
Item
No.
|
A |
d1 |
P |
 0.5 |
 |
L 1 |
W1 |
W2 |
t 0.2 |
| |
H-12
|
12.0 |
1.5 |
6.5 |
13.0 |
6.0 |
19.0 |
9.6 |
5.0 |
1.0 |
| |
H-14
|
14.0 |
2.0 |
9.0 |
16.0 |
6.0 |
22.0 |
12.0 |
4.0 |
1.0 |
| |
H-16
|
16.0 |
2.0 |
6.0 |
20.0 |
13.0 |
33.0 |
12.0 |
7.0 |
1.0 |
|
* |
H-18
|
18.0 |
2.0 |
10.0 |
21.0 |
15.0 |
36.0 |
14.0 |
7.0 |
1.0 |
|
♦ |
H-19
|
18.5 |
1.5 |
15.0 |
11.0 |
15.0 |
26.0 |
18.5 |
5.5 |
1.0 |
| *Planning
to create |
| Packing
unit: 1,000 pcs per bag |
| ♦The
specification developed recently , has not applied for UL authentication
yet. |
|
 |
| Fuse
Cover |
|
| |
|
 |
|
Item
No.
|
L1 0.3 |
L2 1.0 |
L3 0.2 |
L 1 |
A |
t 0.2 |
Packing unit |
| |
FH-1
|
6.0 |
11.5 |
20.0 |
12.5 |
1.0 |
1.2 |
1000 pcs |
| |
FH-1L
|
6.0 |
11.5 |
22.0 |
12.5 |
1.0 |
1.2 |
1000 pcs |
| |
FH-1S
|
5.3 |
11.0 |
18.0 |
12.5 |
1.0 |
1.2 |
1000 pcs |
| |
FH-2
|
6.1 |
11.0 |
20.3 |
12.0 |
1.5 |
1.2 |
1000 pcs |
| |
FH-3
|
9.5 |
13.0 |
31.8 |
14.5 |
1.5 |
1.3 0.3 |
500
pcs |
| |
FH-3A
|
9.1 |
11.5 |
31.8 |
12.5 |
1.0 |
1.2 |
500
pcs |
| |
FH-4
|
12.8 |
19.0 |
41.0 |
20.5 |
1.5 |
1.2 |
500
pcs |
| |
FH-5
|
8.0 |
10.0 |
36.0 |
11.0 |
1.0 |
1.2 |
500
pcs |
| |
FH-11
|
6.2 |
16.0 |
16.0 |
17.0 |
1.0 |
1.1 |
1000 pcs |
| |
FH-12
|
5.0 |
18.0 |
15.0 |
19.0 |
1.0 |
1.0 |
1000 pcs |
| |
FH-13
|
4.7 |
9.0 |
12.2 |
10.0 |
1.0 |
1.0 |
1000 pcs |
| |
FH-15
|
6.1 |
20.5 |
18.0 |
21.5 |
1.0 |
1.0 |
1000 pcs |
| |
FH-16
|
7.0 |
23.5 |
24.3 |
24.5 |
1.0 |
1.0 |
1000 pcs |
|
♦ |
FH-17
|
10.6 |
12.5 |
16.3 |
15.0 |
2.5 |
1.3 |
1000 pcs |
|
♦ |
FH-21
|
9.5 |
8.0 |
13.8 |
10.0 |
2.0 |
1.0 |
1000 pcs |
|
| |
♦The
specification developed recently , has not applied for UL authentication
yet.
|
 |
Products
Quality:
All our products are made from high quality soft P.V.C.
We call them PVC insulating sleeves generally.
According to the rating temperature we differentiate them into
three categories:
1. Common products: rated temperature is under 90
2. Medium products: rated temperature is under 100
3. High level products: rated temperature is 105
E122477 pass 600V,testing |
|
|